1984 Honda ATC200ES A OEM Parts. Length horsepower torque electrical specs we have it all.

No Spark Troubleshooting 1984 Honda Big Red 200es
1984 Honda ATC200ES A OEM Parts.
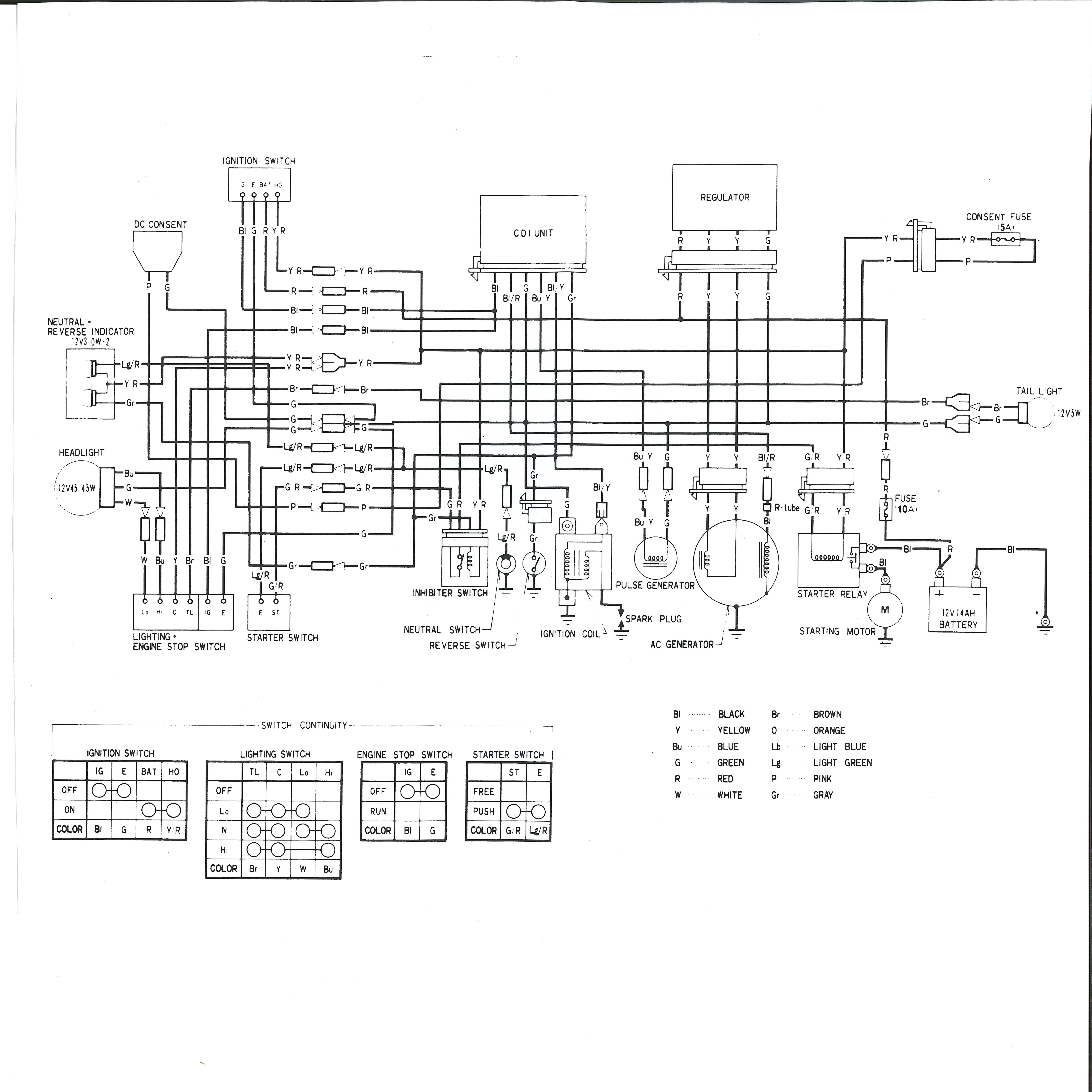
1984 honda atc200es wiring diagram. ATC200ES 1984 offroad vehicle pdf manual download. Diagram atc 200es wiring full 3 wheeler world tech help honda atv 1984 oem parts for 3wheeler diagrams 1986 big red 1978 atc90 condenser one atc200es project 250sx ignition kawasaki ke100 cdi replacement e usa harnes xl250 owner s manual pdf rar chrysler pacifica alternator cj7 i have a 200. Motorcycle Honda 1984 ATC 200E Owners Manual.
5_20_14 Honda ATC 185 200S Timing OEM wiring wiring up the 1984 Honda ATC 200S motor with the OEM wire harness also setting the CDI pulser gap and. CAM CHAIN TENSIONER. This page contains a wiring diagram for the 1984 Honda big red atc 200ES.
If this is your first visit to 3WHeeLeR. CUSHION IGNITION CONTROL MODULE CDI 30401-KB4-000. CONTROL LEVERS SWITCHES CABLES.
Jump to Latest Follow. BatteryCharging System Wiring Diagram. Wiring Diagrams atc200m 1984 atc200m 1985.
View and Download Honda ATC200ES 1984 owners manual online. 1984 Honda Atc200es Carburetor Trike Atc 200es Big Red Carb Cable Style. A whole lot cheaper than a 135 OEM CDI.
Detailed specs on the Honda 1984 ATC200ES atv. Navigate your 1984 Honda ATC200ES WIRE HARNESS schematics below to shop OEM parts by detailed schematic diagrams offered for every assembly on your machine. ATC200ES Big Red ATC200ES BigRed 1984.
ATC200ES Big Red. 6 wire connector_set most_china_cdis 121a tms89461516 this set will work to connect any 6 wires to 5 wires or you can use parts of it for the female connector to most. Published on 12-26-2009 1233 AM Categories.
To discover exactly which parts you require use the on-line schematic exploded diagram - it will even give you some idea of where and how to fit those new parts. View Profile View. Since the 84 Big Red uses the round type plug I also bought the plug kit to switch it over to the square type.
Our detailed 1984 Honda ATC200ES schematic diagrams make it easy to find the right OEM part the first time whether youre looking for individual parts or an entire assembly. This page contains a wiring diagram and electrical specs for the 1984 Honda big red atc 200ES. 1984 200es cdi replacement mythbusted.
Honda Atc200es Big Red Service Manual Repair 1984 Atc 200es Tradebit. CONTROL LEVERS SWITCHES CABLES. Im going to go tonight or in the morning and trace what is there back and maybe get a clue.
BatteryCharging System Exploded View. The most reasonably priced component used on the Atc200es Big Red 1984 e Usa Wire Harness Rectifier is the Bolt-washer 5x25. This white wire has got me I looked at the wiring diagram and there is no white wire.
1984 Honda ATC200ES A Original Equipment Manufacturer Parts at Babbitts Honda Partshouse. With a quantity of nine pieces the Bandbi Wire is the most used part in the WIRE HARNESS RECTIFIER diagram. Ships in 2 to 3 days.
Spark plug number headlight and tailight bulb numbers. Wire diagram for cdi conversions atc200s. 1984 atc big red.
CAM CHAIN TENSIONER. The Honda ATC200ES BIG RED 1984 E USA has twenty-two Engine twenty-two Frame six Other parts fiches. 1984 Big Red 200es 2 x 197071 Honda US90s 2 x 197273 Honda US90s.
Auto Parts And Vehicles Motion Pro Rear Hand Parking Brake Cable For 1983 1987 Honda Atc200x Atc 200x Nuntiusbrokers Com. MODULE IGNITION CONTROL CDI. Diagram Wiring 1986 Honda Big Red Full Version Hd Quality Bpmndiagrams Actioncrowd It.
Diagram honda atc 200 wiring 3 wheeler world tech help 1985 200s full atc70 wire harnes 185s engine diagrams atc200m 200m manual i have a 84 200es and also 110 three motorcycles pdf trx200 fourtrax 1984 e usa 1983 1987 atc200x 200x purchase cb360 cj360. Read More 9 Comments ATC200E Big Red by. Diagram Chinese 200 Atv Wiring Diagrams Full Version Hd Quality Cdiagram Segretariatosocialelatina It.
I at least expected to re-terminate the factory harness to accept the different plug. We have fifty specific parts lists available for this model. Nope just release the factory terminals and remove them from the factory plug insert them into the new.
Honda motor 74 pages Motorcycle Honda XRM125 2018 Owners Manual 111 pages Motorcycle. 1984 Honda ATC200ES Big Red project.

I Have A 1984 Honda Atc 200 Es Big Red And Am Getting No Spark At The Plug 1984 Myself I Have Tested For Voltage At
Atc200es 1984 Big Red Cdi Replacement 3 Wheeler Thumpertalk
3 Wheeler World Tech Help Honda Wiring Diagrams
3 Wheeler World Tech Help Honda Wiring Diagrams
Color 1984 Es200 Wiring Diagram
3 Wheeler World Tech Help Honda Wiring Diagrams
3 Wheeler World Tech Help Honda Wiring Diagrams
3 Wheeler World Tech Help Honda Wiring Diagrams
1984 Honda Atc200es Big Red Project Honda Atv Forum

No Spark Troubleshooting 1984 Honda Big Red 200es

Service Manuals The Junk Man S Adventures
1984 Honda Atc200es Big Red Project Honda Atv Forum

1984 Honda Big Red Atc 200es Wiring Diagram

Jet Slow 38 For Atc200es Big Red 1984 E Usa Order At Cmsnl
3 Wheeler World Tech Help Honda Wiring Diagrams
3 Wheeler World Tech Help Honda Wiring Diagrams

1984 Honda Wire Harness Atc200es Parts Diagram
1984 Honda Atc200es Wiring Diagram. There are any 1984 Honda Atc200es Wiring Diagram in here.
Search This Blog
Blog Archive
- November 2022 (18)
- Februari 2022 (13)
- Januari 2022 (25)
- Agustus 2021 (89)
- Juli 2021 (10)
Labels
- 1966
- 1976
- 1979
- 1981
- 1982
- 1983
- 1984
- 1985
- 1987
- 1990
- 1993
- 1994
- 1996
- 1997
- 1999
- 2000
- 2001
- 2002
- 2003
- 2004
- 2005
- 2006
- 2007
- 2008
- 2013
- 2014
- 2015
- 2022
- 300m
- 3500
- 4000
- 4700
- alternator
- atc200es
- Attack
- audi
- australia
- bank
- Barcelona
- biden
- Bonet
- Bowie
- Brady
- Browns
- buick
- Burns
- camaro
- caravan
- Cardinals
- cavalier
- Chargers
- chelsea
- cherokee
- Cheslie
- chevy
- Chris
- chrysler
- civic
- colorado
- compressor
- Corona
- Costa
- Coupe
- cressy
- cricket
- crown
- cuts1
- dakota
- Dänemark
- David
- diagram
- diagrams
- Discovery
- djokovic
- dodge
- Drach
- dyrebeskyttelsen
- e350
- Elli
- enova
- Enyaq
- expedition
- explorer
- ezgo
- f150
- f350
- ford
- fuel
- fx35
- Globes
- Golden
- grand
- gs850
- guitar
- Guldbaggegalan
- hahn
- handbolls
- happy
- harness
- hayabusa
- headlight
- Holsten
- honda
- ignition
- images
- impala
- infiniti
- international
- j
- Jeanette
- jeep
- jimmy
- journalist
- k
- kodiak
- Kryst
- kusel
- liberty
- Lisa
- Loaf
- magna
- malibu
- man
- marathon
- maxim
- maxime
- Mbappe
- Meat
- michael
- moseley
- moses
- murano
- mustang
- new
- news
- Norgesgruppen
- norwegian
- of
- on
- Osborne
- otto
- Packers
- palmer
- peterbilt
- pickup
- polizei
- porsche
- PSG
- pump
- radio
- ranger
- Rhiannon
- Rica
- Rihanna
- Robbie
- Russell
- schule
- scot
- Seahawks
- shoveling
- silverado
- Skoda
- snow
- solenoid
- Solheim
- spectra
- starter
- stereo
- støtte
- suzuki
- switch
- tacoma
- tail
- taurus
- the
- Titan
- Tom
- toyota
- trailer
- trettebergstuen
- vm
- volvo
- vs
- w900
- wallpaper
- Watford
- Westbrook
- Wife
- williams
- wiring
- yamaha
- Year
- yukon

